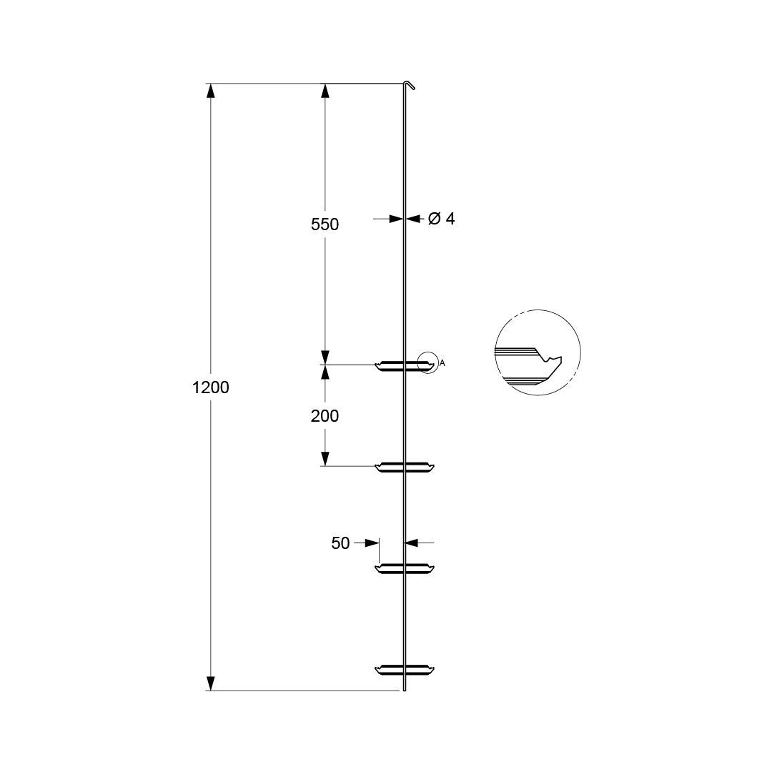
HQS PJ

Gehänge für Farbmusterbleche

  • Spezielles HQS-Schaftgehänge für unsere Testbleche in der Einzelversion

  • Gewährleistet stabilen Halt der PPA


Product table

Art.-Nr.
HQS 1200x200x4 PJ **